智慧树知到《电路与电子技术电子技术基础(山东联盟)》章节测试答案
智慧树知到《电路与电子技术电子技术基础(山东联盟)》章节测试答案
第一章单元测试
1、半导体的导电机理是当外部加电场时,载流子即()在电场的作用下定向移动,形成电流。
A.其他选项都不正确
B.自由电子
C.自由电子和空穴
D.空穴
正确答案:自由电子和空穴
2、当温度增加时,本征半导体中的自由电子和空穴的数量()。
A.增加
B.不变
C.其他选项都不正确
D.减少
正确答案:增加
3、PN结的主要特点是具有()。
A.电流放大作用
B.单向导电性
C.其他选项都不正确
D.稳压作用
正确答案:单向导电性
4、普通二极管禁止工作在()。
A.正向导通区
B.反向击穿区
C.反向截止区
D.死区
正确答案:反向击穿区
5、若二极管为理想二极管,则该二极管导通时等效为开路。()
A.正确
B.错误
正确答案:错误
6、若二极管的导通电压为0.3V,当阳极与阴极之间的电压大于()V时,二极管导通。
A.0
B.0.3
C.0.7
D.0.5
正确答案:0.3
7、图示二极管的工作状态是()。

A.反向击穿
B.截止
C.导通
D.其他选项都不正确
正确答案:导通
8、稳压管的稳压性能是利用PN结的()。
A.正向导电特性
B.单向导电特性
C.反向击穿特性
D.反向截止特性
正确答案:反向击穿特性
9、要使三极管具有放大作用,发射结加()偏置电压,集电结加()偏置电压。
A.反向 正向
B.正向 正向
C.反向 反向
D.正向 反向
正确答案:正向 反向
10、要使三极管具有开关作用,发射结加()偏置电压,集电结加()偏置电压。
A.正向 反向
B.反向 反向
C.反向 正向
D.正向 正向
正确答案:反向 反向;正向 正向
第二章单元测试
1、如图所示的放大电路中,集电极电阻RC的作用是()。

A.调节ICQ
B.放大电流
C.防止输出信号交流对地短路,把放大了的电流转换成电压
D.调节IBQ
正确答案:防止输出信号交流对地短路,把放大了的电流转换成电压
2、当输入电压为正弦信号时,如果NPN管共发射极放大电路发生饱和失真,则基极电流ic的波形将()。
A.正半波削波
B.不削波
C.双向削波
D.负半波削波
正确答案:正半波削波
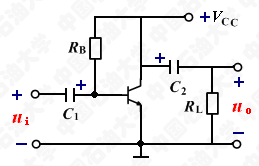
3、图示电路有正常电压放大的能力。()

。
A.正确
B.错误
正确答案:错误
4、放大电路如右图所示,由于Rb1和 Rb2阻值选取得不合适而产生了饱和失真,为了改善失真,正确的做法是()。
