智慧树知到《电路分析》章节测试答案
智慧树知到《电路分析》章节测试答案
第一章单元测试
1、测量电流时,电流表与待测元件如何连接()
A.串联
B.并联
C.混联
正确答案:串联
2、如图电路,B点接地,电源电压为6V,则A点电位为()

A.0
B.6V
C.-6V
D.无法确定
正确答案:6V
3、如图电路,电阻为3Ω,电流为2A,则A点电位为()

A.0
B.6V
C.-6V
D.无法确定
正确答案:6V
4、电动势为12V、内阻为30Ω的电源,其开路电压为()
A.12V
B.30V
C.18V
D.0
正确答案:12V
5、某均匀规则的导体阻值为120Ω,将其对折后阻值变为()
A.30Ω
B.120Ω
C.240Ω
D.480Ω
正确答案:30Ω
6、电路如图示,忽略电源内阻作用,求A点电位()

A.6V
B.12V
C.18V
D.30
正确答案:6V
7、额定功率为20W的电灯,工作30分钟,耗电几度()
A.600度
B.0.01度
C.1.5度
D.0.015度
正确答案:0.01度
8、如图,6Ω和4Ω两电阻串联,总电压U为5V,则U1和U2分别为()

A.4V、6V
B.6V、4V
C.3V、2V
D.2V、3V
正确答案:3V、2V
9、3个值为9Ω的电阻串联后,总电阻为()
A.3Ω
B.6Ω
C.12Ω
D.27Ω
正确答案:27Ω
10、6个值为12Ω的电阻并联后,总电阻为()
A.2Ω
B.6Ω
C.12Ω
D.72Ω
正确答案:2Ω
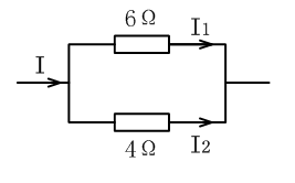
11、如图,4Ω和6Ω两电阻并联,总电流I为5A,则I1和I2分别为()

A.4A、6A
B.6A、4A
C.2A、3A
D.3A、2A
正确答案:2A、3A
12、在如图所示电路中,为使输出电压UAB=1V,则输出电压UEF的值是()。

A.0.1V
B.1V
C.10V
D.100V
正确答案:100V
13、在图示电路中,Uab=5V,则 R=()Ω

A.15
B.20
C.25
D.30
正确答案:15
14、在图示电路中,Uab =()V

A.4
B.8
C.0
D.6
正确答案:8
15、不管电路中电阻的电压和电流参考方向如何假设,最后得到得结果都是电阻吸收(消耗)功率。