智慧树知到《电路(山东联盟—山东管理学院)》章节测试答案



智慧树知到《电路(山东联盟—山东管理学院)》章节测试答案

绪论单元测试

1、电路变量中电压的对偶元素是()。

A.电流

B.电阻

C.电导

D.电荷

正确答案:电流

2、电路元件中电感的对偶元件是()。

A.电压源

B.电流源

C.电阻

D.电容

正确答案:电容

3、被称为电路求解大师的是()。

A.基尔霍夫

B.法拉第

C.安培

D.欧姆

正确答案:基尔霍夫

4、首先发现电流的磁效应的是丹麦物理学家奥斯特。()

A.正确

B.错误

正确答案:正确

5、电路课程在电气自动化课程体系中起着承上启下的作用。()

A.正确

B.错误

正确答案:正确

第一章单元测试

1、当实际电流源开路时,该电流源内部()。

A.无电流,无功率损耗

B.有电流,有功率损耗

C.有电流,无功率损耗

D.无电流,有功率损耗

正确答案:有电流,有功率损耗

2、某电阻元件的额定数据为“1KΩ、2.5W”,正常使用时允许流过的最大电流为()。

A.50mA

B.2.5mA

C.250mA

D.500mA

正确答案:50mA

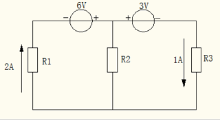
3、在下图中,三个电阻共消耗的功率为()。

智慧树知到《电路(山东联盟—山东管理学院)》章节测试答案

A.15

B.无法计算

C.9

正确答案:9

4、含源二端网络,测得其开路电压为20V,短路电流为2A,当外接10Ω负载时,负载电流为()。

A.0.5A

B.1A

C.2A

D.1.5 A

正确答案:1A

5、电压是产生电流的根本原因。因此电路中有电压必有电流。

A.正确

B.错误

正确答案:错误

6、理想电流源输出恒定的电流,其输出端电压由内电阻决定。

A.正确

B.错误

正确答案:错误

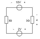
7、下图所示电路中电压u等于()。

智慧树知到《电路(山东联盟—山东管理学院)》章节测试答案

A.4V

B.-4V

C.6V

D.-6V

正确答案:-4V

8、下图所示电路中电流i等于()。

智慧树知到《电路(山东联盟—山东管理学院)》章节测试答案

A.1A

B.4A

C.2A

D.3A

正确答案:2A

9、KCL定律是对电路中各支路电流之间施加的线性约束关系。

A.正确

B.错误

正确答案:正确

10、KVL定律是对电路中各回路电压之间施加的线性约束关系。

A.正确

B.错误

正确答案:正确

第二章单元测试

1、有3个电阻相串联,已知R1=2Ω,R2=5Ω,R3=8Ω.在三个串联电阻的端口上外加电压为Us=30V的电压源,则对应各电阻上的电压有效值分别为()。

A.UR1=16V ,UR2=10V , UR3=4V

B.UR1=4V ,UR2=10V , UR3=16V

C.UR1=16V ,UR2=4V , UR3=10

D.UR1=4V ,UR2=16V , UR3=10V

正确答案:UR1=4V ,UR2=10V , UR3=16V

2、关于n个串联电阻的特征描述,下列哪个叙述是错误的()。


Tag:智慧树电路章节测试 知到电路章节测试 时间:2023-12-02 23:08:39