智慧树知到《电路分析(陕西国防工业职业技术学院)》章节测试答案
智慧树知到《电路分析(陕西国防工业职业技术学院)》章节测试答案
第一章 单元测试
1、实际电路的几何尺寸远小于其工作信号波长,这种电路称为电路。
A.分布参数
B.集总参数
C.实际
D.其他
正确答案:集总参数
2、某元件吸收功率为正(P>0),说明该元件吸收功率,则该元件是()。
A.产生
B.吸收
C.电源
D.负载
正确答案:负载
3、独立电源有两种。
A.电压源
B.电流源
C.受控电压源
D.受控电流源
正确答案:电压源;电流源
4、电压和电流的关联参考方向是指电压、电流一致。
A.实际方向
B.参考方向
C.电位升方向
D.电位降方向
正确答案:参考方向
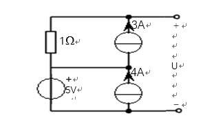
5、图示电路中端电压U为。

A.8V
B.-2V
C.2V
D.4V
正确答案:8V
6、下图所示电路中A、B两点间的等效电阻与电路中的RL相等,则RL为。
A.
B.
C.
D.
正确答案:
7、基尔霍夫定律既适应于线性电路也适用与非线性电路。
A.正确
B.错误
正确答案:A
8、一个6V的电压源与一个2A的电流源并联,等效仍是一个6V的电压源。
A.正确
B.错误
正确答案:A
9、一个6V的电压源与一个2A的电流源并联,等效仍是一个2A的电流源。
A.正确
B.错误
正确答案:B
10、沿顺时针和逆时针列写KVL方程,其结果是相同的。
A.正确
B.错误
正确答案:A
第二章 单元测试
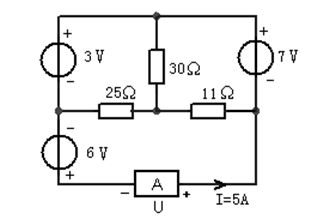
1、求下图U=。

A.16V
B.4V
C.-10V
D.-4V
正确答案:-10V
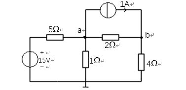
2、图示电路中电流I等于。

A.1A
B.2A
C.3A
D.4A
正确答案:4A
3、图示电路中节点a的节点电压方程为。

A.

B.

C.
