智慧树知到《电路与电子技术电子技术基础(山东联盟)》章节测试答案
1、电路如图所示,该电路的闭环电压放大倍数为()。

A.1
B.10
C.-1
D.R
正确答案:1
2、电路如图所示,要满足uo=-2ui的运算关系,R1与RF必须满足()。

A.RF=3R1
B.RF=2R1
C.RF=R1
D.RF=0.5R1
正确答案:RF=2R1
3、图示电路输出电压与输入电压的关系()。

A.微分关系
B.对数关系
C.积分关系
D.指数关系
正确答案:微分关系
4、单门限比较器只有()个门限电压值。
A.4
B.2
C.3
D.1
正确答案:1
5、电压比较器工作在运放的()区域。
A.非线性
B.所有
C.线性
D.其他选项都不正确
正确答案:非线性
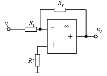
6、电路如图所示,则该电路为()。

A.同相比例运算电路
B.反相比例运算电路
C.反相积分运算电路
D.加法运算电路
正确答案:同相比例运算电路
7、抑制频率为100kHz以上的高频干扰,选用()。
A.低通滤波
B.带通滤波
C.带阻滤波
D.高通滤波
正确答案:低通滤波
8、在输入电压从足够低逐渐增大到足够高的过程中,单限比较器和滞回比较器的输出电压均只跃变一次。()
A.正确
B.错误
正确答案:正确
9、只要集成运放引入正反馈,就一定工作在非线性区。()
A.正确
B.错误
正确答案:错误
10、当集成运放工作在非线性区时,输出电压不是高电平,就是低电平。()
A.正确
B.错误
正确答案:正确
第五章单元测试
1、正弦波振荡器只需满足下述条件就能产生振荡()。
A.|AF|>1
B.|AF|=1
C.ΦA+ΦF =2nπ(n=0,1,2,…)
D.ΦA+ΦF =2nπ(n=0,1,2,…),且|AF|>1
正确答案:ΦA+ΦF =2nπ(n=0,1,2,…),且|AF|>1
2、RC串并联网络在f=f0=1/2πRC时,电路呈()。
A.阻性
B.感性
C.其他选项都不正确
D.容性
正确答案:阻性
3、RC桥式振荡电路中RC串并联网络的作用是()。
A.选频
B.引入正反馈
C.稳幅和引入正反馈
D.选频和引入正反馈
正确答案:选频和引入正反馈
4、正弦波振荡电路一般由放大电路、反馈网络、()和稳幅电路四部分组成。
A.其他选项都不正确
B.输出电路
C.选频网络
D.比较电路
正确答案:选频网络
5、方波和矩形波输出电压的幅值取决于比较器的(),三角波和锯齿波的输出电压的幅值取决于比较器的()。
A.输出电压,阈值电压