智慧树知到《模拟电子技术基础(西安邮电大学)》章节测试答案
3、The difference between the resulting equations for a network in which an npn transistor has been replaced by a pnp transistor is().
A.the values of the resistors
B.the value of β
C.the sign associates with the particular quantities
正确答案:the sign associates with the particular quantities
4、The term quiescent means().
A.midpoint-biased
B.at rest
C.active
D.inactive
正确答案:inactive
5、Voltage-divider bias stability is().
A.dependent on alpha
B.dependent of beta
C.dependent on the collector resistor
D.independent of beta
正确答案:independent of beta
第五章单元测试
1、Given this configuration, determine the input impedance if VS = 40 mV, Rsense = 0.5 kΩ, and the input current is 20 μA.()

A.1.5 MΩ
B.5.822 MΩ
C.1,500 Ω
D.582 kΩ
正确答案:1,500 Ω
2、The

transistor model replaces the();with the junction diode';s ac resistance.。
A.collector-base junction
B.collector-emitter junction
C.emitter()base junction
正确答案:emitter()base junction
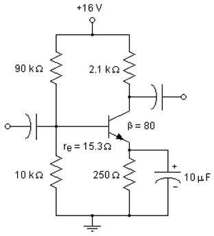
3、Calculate the voltage gain for this circuit.()

A.-137.25
B.-8.4
C.-7.91
D.-16.34
正确答案:-137.25
4、A transistor amplifier has an input signal applied to its emitter terminal and an output signal taken from its collector terminal.The amplifier is a(n)().
A.common-emitter amplifier
B.common-base amplifier
C.common-collector amplifier
D.emitter follower
正确答案:common-base amplifier
5、The voltage gain of a very well-designed common collector amplifier configuration, using a pnp transistor, is().
A.about -0.9
B.about 0.9
C.in the range 0.95 to 0.99
D.in the range -0.95 to -0.99
正确答案:in the range 0.95 to 0.99
第六章单元测试
1、Shockley';s equation defines the();of the FET and are unaffected by the network in which the device is employeD.
A.

;characteristics
B.drain characteristics
C.input/output characteristics
D.transfer characteristics
正确答案:transfer characteristics