智慧树知到《模拟电子技术基础(九江职业技术学院)》章节测试答案
智慧树知到《模拟电子技术基础(九江职业技术学院)》章节测试答案
第一章单元测试
1、PN结形成后,空间电荷区由()构成。
A.空穴
B.价电子
C.自由电子
D.杂质离子
正确答案:杂质离子
2、硅二极管的反向电流很小,其大小随反向电压的增大而()。
A.增大
B.基本不变
C.减小
正确答案:基本不变
3、流过二极管的正向电流增大,其直流电阻将()。
A.增大
B.减小
C.基本不变
正确答案:减小
4、变容二极管在电路中主要用作()。
A.可变电容器
B.整流
C.稳压
D.发光
正确答案:可变电容器
5、PN结加正向电压时,空间电荷区将()
A.变宽
B.基本不变
C.变窄
正确答案:变窄
第二章单元测试
1、有人选用最大允许集电极电流ICM=20mA,最大允许电压UCEO=20V,集电极最大允许耗散功率PCM=100mW的三极管组成放大电路,其静态工作点IC=15mA,UCE=10V,则该管应属于下列四种状态中的()。
A.放大性能较差
B.可能击穿
C.过热或烧坏
D.可以正常放大
正确答案:过热或烧坏
2、某放大电路在负载开路时的输出电压为6V,当接入2kΩ的负载后,其输出电压为4V,这表明该放大电路的输出电阻是()。
A.10kΩ
B.0.5kΩ
C.2kΩ
D.1kΩ
正确答案:1kΩ
3、放大电路如图所示,如UCC>;>;UBE,且ICEO≈0,则在静态时,该三极管工作的状态是()。

A.不定
B.饱和状态
C.截止状态
D.放大状态
正确答案:饱和状态
4、放大电路如图所示,三极管β=50,电压增益为A1,如果用β=100的管子替换β=50的管子,这时电压增益为A2,则满足()。

A.|A1|<;|A2|<;|2A1|
B.A2=2A1
C.A2=A1
D.|A2|<;|A1|
正确答案:|A1|<;|A2|<;|2A1|
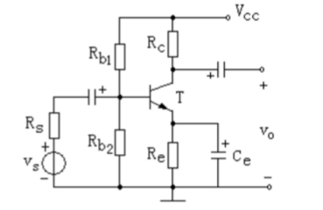
5、电路如图所示,若不慎将旁路电容Ce断开,则将()。

A.只影响静态工作点,但不影响电压增益。
B.不影响静态工作点,也不影响电压增益。
C.不仅影响静态工作点,而且也影响电压增益。
D.不影响静态工作点,只影响电压增益。
正确答案:不影响静态工作点,只影响电压增益。
第三章单元测试
1、现测得两个共射放大电路空载时的电压放大倍数均为-100,将它们连成两级放大电路,其电压放大倍数应为10000。
A.正确
B.错误
正确答案:错误
2、阻容耦合多级放大电路各级的Q点相互独立,它只能放大交流信号。
A.正确
B.错误
正确答案:正确
3、只有直接耦合放大电路中晶休管的参数才随温度而变化。