智慧树知到《模拟电子技术基础(九江职业技术学院)》章节测试答案
A.正确
B.错误
正确答案:错误
4、互补输出级应采用共集或共漏接法。
A.正确
B.错误
正确答案:正确
5、直接耦合多级放大器只能放大直流信号。
A.正确
B.错误
正确答案:错误
第四章单元测试
1、集成运算放大器是:()
A.阻容耦合多级放大器
B.变压器耦合多级放大器
C.直接耦合多级放大器
正确答案:直接耦合多级放大器
2、集成运算放大器的共模抑制比越大,表示该组件:()
A.抑制零点漂移的能力越强
B.带负载能力越强
C.差模信号放大倍数越大
正确答案:抑制零点漂移的能力越强
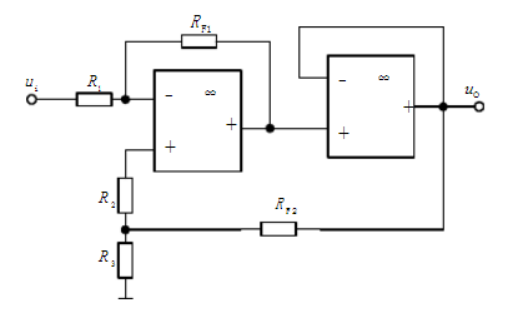
3、电路如图所示,RF2引入的反馈为:()

A.串联电压负反馈
B.并联电压负反馈
C.串联电流负反馈
D.正反馈
正确答案:正反馈
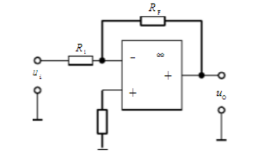
4、比例运算电路如图10-2所示,该电路的输出电阻为:()

A.R1+RF
B.零
C.RF
正确答案:零
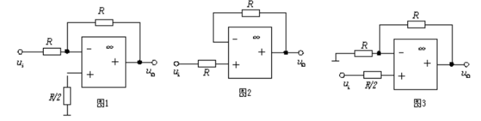
5、电路如图10-3所示,能够实现uuOi=-运算关系的电路是:()

A.图3
B.图1
C.图2
正确答案:图1
第五章单元测试
1、电压串联负反馈放大器可以提高输入电阻,稳定放大器输入电流。
A.正确
B.错误
正确答案:错误
2、负反馈使放大器的净输入信号增加。
A.正确
B.错误
正确答案:错误
3、理想的集成运放电路输入电阻为无穷大,输出电阻为零。
A.正确
B.错误
正确答案:正确
4、若放大电路的负载固定,为使其电压放大倍数稳定,可以引入电压负反馈,也可以引入电流负反馈。
A.正确
B.错误
正确答案:正确
5、反馈信号使放大电路的净输入信号减小,称为正反馈。
A.正确
B.错误
正确答案:错误
6、负反馈只能改善反馈环路以内电路的放大性能,对反馈环路外的电路无效。
A.正确
B.错误
正确答案:正确
第六章单元测试
1、为达到四阶低通有源滤波电路,可将相同的两个低通有源滤波电路串接使用。
A.正确
B.错误
正确答案:正确
2、模拟乘法器可以用来作为放大电路使用。
A.正确
B.错误
正确答案:正确
3、变压器型集成隔离放大器的输入、输出和电源三部分电路的接地端必须连接在一起,才能传输信号。
A.正确
B.错误
正确答案:错误
4、使用集成运算放大器件来组成比例运算电路,这时可按比例运算关系任意选用电阻值。
A.正确
B.错误
正确答案:错误
5、高精度整流电路采用集成运放处理后,可以对交流小信号整流,其整流信号幅值可达微伏级。
A.正确
B.错误
正确答案:正确
第七章单元测试