智慧树知到《电路基础》章节测试答案

A.8.4 A
B.8 A
C.4 A
D.6 A
正确答案:8 A
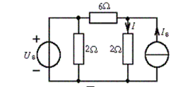
7、图示电路中2Ω电阻的吸收功率P等于()。

A.2W
B.4W
C.8W
D.0W
正确答案:8W
8、网孔分析法和节点分析法只适应于直流电路。()
A.正确
B.错误
正确答案:错误
9、运用施加电源法和开路电压、短路电流法,求解戴维宁等效电路的内阻时,对原网络内部独立电源的处理方法是不同的。()
A.正确
B.错误
正确答案:正确
10、线性电路是由线性元件组成的电路。
A.正确
B.错误
正确答案:正确
第三章单元测试
1、

2、在电阻、电感串联的电路中,存在的动态元件的是()元件。
A.理想电压源
B.电感
C.电阻
D.电容
正确答案:电感
3、

。
A.正确
B.错误
正确答案:正确
4、

。
A.正确
B.错误
正确答案:错误
5、一个交流LC并联电路,已知流过电感的电流IL=5A,流过电容的电流IC=3A,则总电流I=()A。
A.4
B.2
C.8
D.6
正确答案:2
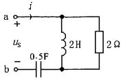
6、图示电路中uS(t) = 2 sin t V,则单口网络相量模型的等效阻抗等于()。

A.(1+j2)Ω
B.(1+j1)Ω
C.(1-j2)Ω
D.(1-j1)Ω
正确答案:(1-j1)Ω
7、已知某正弦电压的频率f= 50 Hz,初相角j=30°,有效值为100 V,则其瞬时表达式可为()。
A.u = 200 sin(100pt+30°) V
B.u = 141.4 sin(100pt+30°)
C.u = 100 sin(50t+30°) V
D.u = 141.4 sin(50pt+30°) V
正确答案:u = 141.4 sin(100pt+30°)
8、并联一个合适的电容可以提高感性负载电路的功率因数。并联电容后,电路的有功功率()。
A.记忆
B.不变
C.减小
D.增大
正确答案:不变
9、电容是()元件。
A.记忆
B.耗能
C.无记忆
D.储能
正确答案:记忆;储能
10、在电路任一结点上的电流相量代数和为零。
A.正确
B.错误
正确答案:正确
第四章单元测试
1、外加激励源等于零,仅仅在原始储能作用下的电路响应称为()。
A.无响应
B.零输入响应
C.零状态响应
D.全响应
正确答案:零输入响应
2、三要素法可适用于任何电路分析瞬变过程。()
- 上一篇:智慧树知到《电路分析基础》章节测试答案
- 下一篇:智慧树知到《电路理论》章节测试答案