智慧树知到《电路分析(陕西国防工业职业技术学院)》章节测试答案
D.

正确答案:

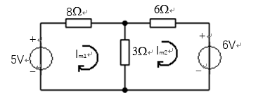
4、图示电路中网孔1的网孔电流方程为。

A.

B.

C.

D.

正确答案:

5、在有 n个结点、b条支路的连通电路中,可以列出独立KCL 方程和独立KVL方程的个数分别为。
A.n;b
B.b-n+1;n+1
C.n-1;b-1
D.n-1;b-n+1
正确答案:n-1;b-n+1
6、叠加定理只适用于线性电路中。
A.正确
B.错误
正确答案:A
7、节点分析法的互电导前的符号恒取负(-)。
A.正确
B.错误
正确答案:A
8、运用施加电源法和开路电压、短路电流法,求解戴维宁等效电路的内阻时,对原网络内部独立电源的处理方法是相同的。
A.正确
B.错误
正确答案:B
9、回路是网孔,但网孔不一定是回路。
A.正确
B.错误
正确答案:B
10、负载获得最大功率是以牺牲效率为前提的,二者不能兼得。
A.正确
B.错误
正确答案:A
[$]
第三章 单元测试
1、电容是()元件。
A.
耗能
B.
储能
C.
记忆
D.
无记忆
正确答案:
储能
;
记忆
2、视在功率的单位是.
A.安培(A)
B.伏安(VA)
C.瓦(W)
D.泛尔(Var)
正确答案:伏安(VA)
3、电容器在直流稳态电路中相当于()。
A.开路
B.短路
C.保留不变
D.通路
正确答案:开路
4、正弦量的最大值是有效值的()倍。
A.

B.

C.

D.相等
正确答案:

5、一个交流RC并联电路,已知

总电流I等于()A。
A.14
B.10
C.2
D.48
正确答案:10
6、表示交流正弦量特征的三要素是。
A.快慢(ω,f,T)