智慧树知到《电路分析(中国石油大学(华东))》章节测试答案

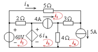
3、若利用结点电压法分析图示电路,需列()个结点电压方程。

A.5
B.3
C.4
正确答案:3
4、网孔电流是电路中实际存在的电流。()
A.正确
B.错误
正确答案:错误
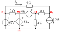
5、某电路有3个节点和6条支路,采用支路电流法求解各支路电流时,应列出KCL方程数和KVL方程数为()。
A.2个KCL和4个KVL方程
B.3个KCL和3个KVL方程
C.3个KCL和4个KVL方程
正确答案:2个KCL和4个KVL方程
6、下列说法错误的是()。

A.图示电路中b点与地之间有电压源
B.图示电路中c点与地之间有电压源
C.图示电路中a点与地之间有电压源
正确答案:图示电路中b点与地之间有电压源
7、如图所示,使用网孔电流法求解电路,描述错误的是()。

A.

B.

C.

正确答案:

8、结点电压法一般列写的是()方程。
A.KVL
B.KCL
正确答案:KCL
9、网孔电流法一般列写的是()方程。
A.KVL
B.KCL
正确答案:KVL
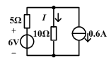
10、用结点电压法求解下列电路时,ia=()V。

A.

B.

C.

正确答案:

第四章单元测试
1、如图,电流源单独作用时,电流I=-0.2A;电压源单独作用时,电流I=0.4A,则电流I=()A。

A.0.6
B.0.2
C.-0.6
正确答案:0.2
2、使用叠加原理时,在分电路中的受控源需()。
A.保留
B.除源
C.不确定
正确答案:保留
3、利用叠加定理可以用于计算电路中的()。
A.电流
B.能量
C.功率
D.电压
正确答案:电流;电压
4、下图二端网络不能等效成实际电压源。()