智慧树知到《电路分析(中国石油大学(华东))》章节测试答案

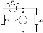
A.1A
B.2A
C.-1A
D.0A
正确答案:2A
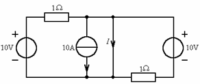
2、电路如图所示,短路线中的电流I为()。

A.无穷大
B.10A
C.20A
D.30A
正确答案:10A
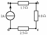
3、图示直流电路中,已知a点电位为5V,则参考点为()。

A.a点
B.c点
C.b点
D.d点
正确答案:c点
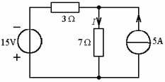
4、图示电路中的电流I为()。

A.10A
B.3A
C.0A
D.5A
正确答案:0A
5、图示电阻串联电路中,U=U1-U2+U3,再根据欧姆定律,可求出等效电阻R为()。

A.R1-R2+R3
B.-R1+R2-R3
C.R1+R2+R3
D.-R1-R2-R3
正确答案:R1+R2+R3
6、在下列各图中,与图(N)所示伏安特性相对应的电路是()。

A.(D)
B.(C)
C.(A)
D.(B)
正确答案:(B)
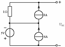
7、图示电路的开路电压Uoc为()。

A.-2V
B.2V
C.8V
D.-4V
正确答案:-2V
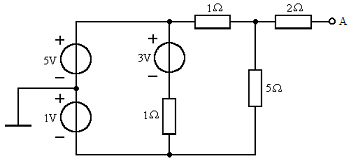
8、图示电路中电位VA为()。

A.6V
B.2V
C.5V
D.4V
正确答案:4V
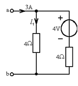
9、如图所示电路中I1为()。

A.0.5A
B.1.5A
C.2A
D.-1A
正确答案:2A
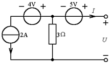
10、图示电路的电压U与电流I的关系为()。

A.U=3+3I
B.U=3-3I
C.U=-1-3I
D.U=-1+3I
正确答案:U=-1-3I
第三章单元测试
1、各点电位的高低是()的,而两点之间的电压值是()的。
A.相对,相对
B.绝对,相对
C.相对,绝对
D.绝对,绝对
正确答案:相对,绝对
2、用结点电压法求解下列电路时,对于1结点列写方程正确的是()。

A.

B.

C.

正确答案: