智慧树知到《模拟电子技术基础(湖南大学)》章节测试答案
D.2kΩ
正确答案:1.25kΩ
第四章单元测试
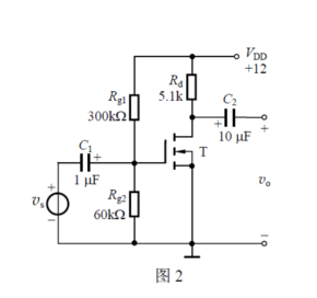
1、放大电路如图2所示。

已知的

,

,

,
设通带内各电容均可视为交流短路。试求

()

A.4mA
B.2mA
C.5mA
D.1.6mA
正确答案:1.6mA
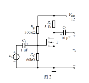
2、放大电路如图2所示。

已知的

,

,

,设通带内各电容均可视为交流短路。试求

()

A.2V
B.4v
C.1V
D.3V
正确答案:2V
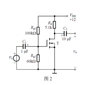
3、放大电路如图2所示。

已知的

,

,

,设通带内各电容均可视为交流短路。试求

()

A.1V
B.4.6V
C.2.4V
D.3.84V
正确答案:3.84V
4、放大电路如图2所示。

已知的

,

,

,设通带内各电容均可视为交流短路。试判断

Tag:智慧树模拟电子技术基础章节测试 知到模拟电子技术基础章节测试
时间:2023-12-14 21:05:22