智慧树知到《电路(山东联盟—潍坊学院)》章节测试答案
A.全部都不对
B.10
C.0
D.-10
正确答案:10
9、某一支路的支路电压等于两个结点电压之差。
A.正确
B.错误
正确答案:正确
10、列写结点电压方程时,互导总是负的,其值等于连接在两结点间支路电导的负值。
A.正确
B.错误
正确答案:正确
第四章单元测试
1、使用叠加定理来求解电路时,不作用的电流源用()替代。
A.全部都不对
B.导线
C.短路
D.开路
正确答案:开路
2、电路中的功率,根据叠加定理等于各分电路计算所得功率的叠加。
A.正确
B.错误
正确答案:错误
3、替代定理既适用于线性电路,也适用于非线性电路。
A.正确
B.错误
正确答案:正确
4、对于给定的任意一个电路,若某一支路电压为up,根据替代定理,该支路就可以用()来替代。
A.电流等于ip的独立电流源
B.电压等于up的独立电压源
C.全部都不对
D.R=up/ip的电阻
正确答案:电压等于up的独立电压源
5、戴维宁等效电路是指一个电阻和一个电压源的串联组合,其中电阻等于原有源二端网络().
A.电源内阻
B.外电路电阻
C.全部都不对
D.除源后的等效电阻
正确答案:除源后的等效电阻
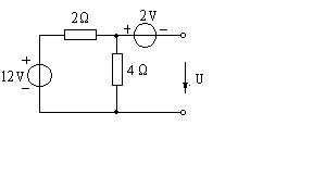
6、如图电路中,电压U为()。

A.8V
B.14V
C.12V
D.6V
正确答案:6V
7、诺顿等效电路均可由戴维宁等效电路经电源等效变换得到。
A.正确
B.错误
正确答案:错误
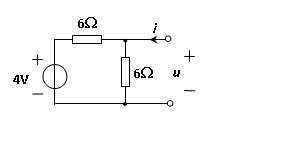
8、图示一端口网络,其端口的VCR关系是()。

A.u = 3i + 2
B.u = 3i – 2
C.u = -3i+2
D.u = -3i-2
正确答案:u = 3i + 2
9、电源电动势E=6V,内阻R0=3Ω,当负载获得最大功率时,负载电阻R为()。
A.R=3Ω
B.不能确定
C.R=6Ω
D.R=1.5Ω
正确答案:R=3Ω
10、最大功率传输定理只适应于直流电路。
A.正确
B.错误
正确答案:错误
第五章单元测试
1、电容元件充电时吸收能量,因此电容是耗能元件。
A.正确
B.错误
正确答案:错误
2、电容器串联后,其等效电容总是小于其中任一电容的电容量。
A.正确
B.错误
正确答案:正确
3、电容器在直流稳态电路中相当于()
A.全部都不对
B.开关
C.开路
D.短路
正确答案:开路
4、电容两端的电压越大则流过电容的电流就越大。
A.正确
B.错误
正确答案:错误
5、两个电容C1=3μF,C2=6μF串联时,其等效电容值为()μF。
A.9
B.2
C.3
D.6
正确答案:2
6、某电感L=4H,电感中的电流为5A,则该电感存储的磁场能为()J
A.50
B.100