智慧树知到《电路(山东联盟—潍坊学院)》章节测试答案
D.10V理想电压源与10Ω电阻的串联
正确答案:1A理想电流源
8、理想电压源与理想电流源之间可以等效变换。
A.正确
B.错误
正确答案:错误
9、对于任一二端口网络,其输入电阻等于端口电压与端口电流之比。
A.正确
B.错误
正确答案:错误
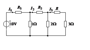
10、图示二端网络的输入电阻等于()。

A.4Ω
B.2Ω
C.-2Ω
D.6Ω
正确答案:2Ω
第三章单元测试
1、对应一个图有很多的回路,但独立回路数远少于总的回路数。
A.正确
B.错误
正确答案:正确
2、用支路电流法求解图示电路时,需要列写()个KCL方程。

A.1
B.2
C.4
D.3
正确答案:2
3、没有并联电阻的电流源称为无伴电流源。
A.正确
B.错误
正确答案:正确
4、对于一个具有n个结点,b条支路的电路,列写网孔电流方程,需要列写()。
A.b-n-+1个KVL方程
B.b-n-1个KVL方程
C.n-1个KCL方程
D.n-1个KVL方程
正确答案:b-n-+1个KVL方程
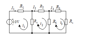
5、对下图列写网孔电流方程时,互阻R21=()Ω。

A.-R5
B.-R4
C.R4
D.R5
正确答案:-R4
6、回路电流法与网孔电流法的适用范围一样。
A.正确
B.错误
正确答案:错误
7、回路电流法是以()为变量,列写()方程。
A.KVL
B.KCL
C.支路电流
D.回路电流
正确答案:KVL;回路电流
8、对下图列写回路电流方程时,回路1的等效电压源电压