智慧树知到《电路(山东联盟—山东管理学院)》章节测试答案
D.

正确答案:

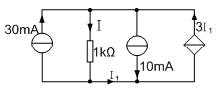
3、电路如图所示,I=()mA。

A.25
B.32.5
C.35
D.27.5
正确答案:35
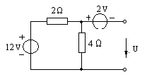
4、如图所示电路中,电压U为()V。

A.12
B.14
C.8
D.6
正确答案:6
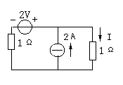
5、图示电路中,电流I为()A。

A.0
B.1
C.-1
D.2
正确答案:2
6、若网络有b条支路、n个节点,其独立KVL方程有()个。
A.b-1
B.b-n+1
C.2b
D.b
正确答案:b-n+1
7、利用节点KCL方程求解某一支路电流时,若改变接在同一节点所有其它已知支路电流的参考方向,将使求得的结果有符号的差别()。
A.正确
B.错误
正确答案:错误
8、列写KVL方程时,每次一定要包含一条新支路才能保证方程的独立性()。
A.正确
B.错误
正确答案:正确
第四章单元测试
1、含电阻和受控源的电路如下图,已知US=2V时,I=2A,则当US=4V时,I=4A。

。
A.正确
B.错误
正确答案:正确
2、如下图所示的含源二端网络的开路电压Uoc=1V, 若A、B端接一个2Ω的电阻,则流过电阻的电流为0.5A。

。
A.正确
B.错误
正确答案:错误
3、若二端网络N与某电流源相联时端电压为6V,则在任何情况下二端网络N对外都可以用6V电压源代替。
A.正确
B.错误
正确答案:错误
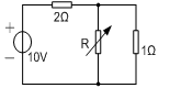
4、如图所示电路中电阻R可变,则当R=2Ω时,1Ω电阻可获得最大功率。

。
A.正确
B.错误
正确答案:错误
5、工作在匹配状态下的负载可获得最大功率,显然这时电路的效率最高。
A.正确
B.错误
正确答案:错误
6、图示电路的戴维南等效电路参数Us和Rs为()。

A.3V, 4Ω
B.9V, 6Ω
C.9V, 2Ω
D.3V, 6Ω
正确答案:9V, 6Ω
7、图示电路中,若RL可变,RL能获得的最大功率Pmax=()W。

A.10
B.40
C.5
D.20
正确答案:10
8、若实际电源的开路电压为24V,短路电流为30A,则它外接1.2Ω电阻时的电流为()A。