智慧树知到《电工电子技术(山东联盟)》章节测试答案
智慧树知到《电工电子技术(山东联盟)》章节测试答案
第一章单元测试
1、理想电压源与理想电流源对外电路的伏安特性一致,因此可以等效互换。
A.正确
B.错误
正确答案:错误
2、电路如图所示,与电流源串联的4Ω电阻对节点电压不起作用,列写节点电压方程时,不计入分母中。

。
A.正确
B.错误
正确答案:正确
3、如图所示电路中,恒压源的电流为多少?

A.6V
B.-14V
C.10V
正确答案:-14V
4、如图所示电路中,流过8V电压源的电流是0,计算
的值。

A.6V
B.8V
C.4V
正确答案:6V
5、常用电路分析方法包括:
A.节点电压法
B.戴维南定理
C.等效电源定理
D.支路电流法
E.叠加原理
正确答案:节点电压法;戴维南定理;等效电源定理;支路电流法;叠加原理
6、图示电路中,支路电流I1为()。

A.1.25A
B.0.5A
C.-1.75A
正确答案:0.5A
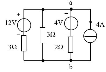
7、图示电路中,电压Uab为()。

A.12/7V
B.4V
C.12V
正确答案:12/7V
Tag:智慧树电工电子技术章节测试 知到电工电子技术章节测试
时间:2023-12-02 22:38:18