智慧树知到《电工电子应用技术》章节测试答案
B.4
C.6
D.12
正确答案:6
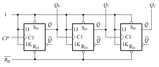
14、由JK触发器构成的时序电路如图所示,假设当前状态Q2Q1Q0为011,问经过一个时钟脉冲,触发器的状态Q2Q1Q0为()。

A.000
B.010
C.100
D.101
正确答案:010
15、74LS161状态如图所示,下一个脉冲过后,Q3Q2Q1Q0=()。

A.1001
B.1010
C.1011
D.1100
正确答案:1100
16、有一火灾报警系统,设有烟感、温感、紫外光感三种不同类型的火灾探测器。为了防止误报警,只有当其中有两种或两种以上类型的探测器发出火灾探测信号时,报警系统才产生报警控制信号,试设计产生报警控制信号的电路。完善真值表为()。

A.0000111
B.0010111
C.0101000
D.0001101
正确答案:0010111
17、时序逻辑电路根据工作方式的不同可分为同步时序逻辑电路和异步时序逻辑电路。
A.正确
B.错误
正确答案:正确
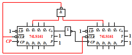
18、两片74LS161连接的计数电路如图所示。该电路实现()进制计数器。

A.24
B.34
C.42
D.56
正确答案:34
19、74LS161连接的计数电路电路如图所示,该计数电路构成的是()进制计数器。

A.7
B.8
C.9
D.10
正确答案:10
20、钟控R-S触发器的输出状态为()。

A.0
B.1
C.不确定
正确答案:0
第二章单元测试
1、某10位DAC输出电压为0~10V,其最低输出电压约为()mV。
A.9.8
B.1
C.2
正确答案:9.8
2、如果将一个最大幅值5.1V的模拟信号转换为数字信号,要求模拟信号每变化20mV能使数字信号最低位(LSB)发生变化,应选()位的模数转换器。
A.6
B.8
C.10
D.12
正确答案:8
3、设逐次逼近A/D转换器的参考电压UR=-8V,输入模拟电压为2V。如果用4位逐次逼近型A/D转换器来转换,则输出的4位码(d3d2d1d0)为()。
A.0001
B.0010
C.0100
D.1000
正确答案:0100
4、下图中,输出电流IL 与()有关。

A.输入电压
B.R
C.RL
正确答案:输入电压;R
5、按照允许通过的信号的频率范围,滤波器分为()滤波器。
A.高通
B.低通
C.带通
D.带阻
正确答案:高通;低通;带通;带阻
6、下图中,有源滤波器的截止频率与()有关。