智慧树知到《电工电子技术(山东联盟)》章节测试答案
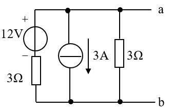
8、将图示一端口电路等效变换成电压源电路(令参考方向由a指向b),等效后的电压源电压为()。

A.10.5V
B.12V
C.1.5V
正确答案:1.5V
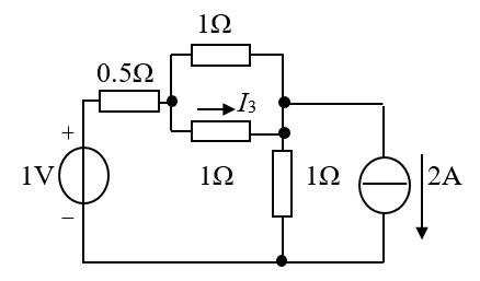
9、图示电路中,电流I3为()。

A.0.75A
B.0.5A
C.0.25A
正确答案:0.75A
10、图示电路中,等效电阻R0为()。

A.5Ω
B.3Ω
C.0Ω
正确答案:3Ω
11、理想电压源与理想电流源对外电路的伏安特性一致,因此可以等效互换。
A.正确
B.错误
正确答案:错误
12、电路如图所示,与电流源串联的4Ω电阻对节点电压不起作用,列写节点电压方程时,不计入分母中。

。
A.正确
B.错误
正确答案:正确
13、如图所示电路中,恒流源的电压为多少?

A.6V
B.-14V
C.10V
正确答案:-14V
14、如图所示电路中,流过8V电压源的电流是0,计算
的值。

A.8V
B.6V
C.4V
正确答案:6V
15、常用电路分析方法包括:
Tag:智慧树电工电子技术章节测试 知到电工电子技术章节测试
时间:2023-12-02 22:38:18