智慧树知到《电子技术基础》章节测试答案
正确答案:正确
10、若A×B = A+B,则A=B。
A.正确
B.错误
正确答案:正确
第五章单元测试
1、组合逻辑电路在任何时刻,电路的输出状态只取决于该时刻输入信号的组合而与电路原来的状态无关。
A.正确
B.错误
正确答案:正确
2、通过逻辑电路可以直接写出逻辑函数。
A.正确
B.错误
正确答案:正确
3、组合逻辑电路的设计就是根据给出的实际逻辑问题,求出实现这一逻辑功能的最简单逻辑电路。
A.正确
B.错误
正确答案:正确
4、数字电路只能以二进制信号工作。
A.正确
B.错误
正确答案:正确
5、半导体数码管分共阴极和共阳极两种。
A.正确
B.错误
正确答案:正确
6、数据选择器又叫多路开关。
A.正确
B.错误
正确答案:正确
7、由于竞争而引起的电路输出发生瞬间错误地现象称为冒险。
A.正确
B.错误
正确答案:正确
8、3位二进制代码可译()个高低电平信号。
A.10
B.9
C.7
D.8
正确答案:8
9、优先识别级别信号并进行编码的组合逻辑器件称为()
A.二进制编码器
B.二进制译码器
C.优先编码器
D.8421码编码器
正确答案:优先编码器
10、组合逻辑电路无法消除竞争与冒险的是()
A.在输出端接入滤波电容
B.修改逻辑设计
C.屏蔽输入信号的尖峰干扰
正确答案:屏蔽输入信号的尖峰干扰
第六章单元测试
1、欲使与非门构成的基本SR锁存器保持原态不变,则输入信号应为()
A.S=R=1
B.S=0,R=1
C.S=1,R=0
D.S=R=0
正确答案:S=R=1
2、对于JK 触发器,设输入J=0,K=1,在CP脉冲作用后,触发器的次态应为()
A.翻转
B.0
C.1
D.不变
正确答案:0
3、在下列锁存器和触发器中,没有约束条件的是()
A.边沿D触发器
B.逻辑门控SR触发器
C.基本SR锁存器
D.主从SR触发器
正确答案:边沿D触发器
4、电路如图所示,SD、RD能起到直接置位和复位作用的时刻是()
A.与CP无关
B.CP=0
C.CP的上升沿
D.CP=1
正确答案:与CP无关
5、对于用两个或非门构成的基本SR锁存器,如果S=R=0,则触发器的状态应为()
A.不变
B.置 1
C.置 0
D.不定
正确答案:不变
6、电路如图所示,经CP脉冲作用后,如要使得触发器的状态不变,则A、B输入应为()
A.A=0,B=1
B.A =0,B=0
C.A =1,B=1
D.A=1,B=0
正确答案:A =0,B=0
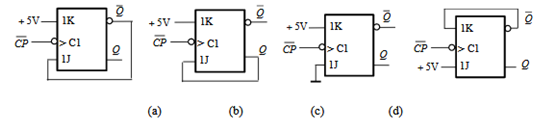
7、图2.7所示电路中,能完成逻辑功能


A.图(a)
B.图(c)
C.图(d)
D.图(b)
正确答案:图(a);图(c)
8、为将D触发器转换为T触发器,所示电路的虚框内应是()