智慧树知到《电路》章节测试答案
6、空心变压器原副边间的耦合阻抗为j3Ω,副边回路总阻抗为(1+j2)Ω, 则其在原边等效电路中的反映阻抗为(9+j18)Ω。
A.正确
B.错误
正确答案:错误
7、如果理想变压器两线圈的同名端在异侧,当副边接入负载阻抗ZL时,则副边折合至原边的等效阻抗为-n2ZL。
A.正确
B.错误
正确答案:错误
8、如果耦合电感L1和L2有电流,则耦合电感中就有互感磁链产生,耦合电感的两端也将产生互感电压。
A.正确
B.错误
正确答案:错误
9、在标出同名端后,每个线圈的具体绕向和它们之间的相对位置就不需要在电路图上表示出来了。而只画出同名端及u、i的参考方向即可。
A.正确
B.错误
正确答案:正确
10、在使用戴维宁定理时,有源一端口与外电路不应有互感关系。
A.正确
B.错误
正确答案:正确
第六章单元测试
1、下列关于对称三相电压源的描述错误的是()。
A.三相电压的瞬时值之和为零
B.三相电压的相量之和为零
C.三相电压的有效值之和为零
D.三相电压的幅值相等
正确答案:三相电压的有效值之和为零
2、下列关于对称三相负载的描述正确的是()。
A.三相负载阻抗之和为零
B.三相负载阻抗的模相等
C.三相负载阻抗角之和为零
D.三相负载的阻抗角相等
正确答案:三相负载阻抗的模相等;三相负载的阻抗角相等
3、

4、

5、一个对称三相电路中,负载连接成Δ形,负载额定电压为380V,那么相电压为220V的三相电源应该连接成()。
A.Y形
B.Δ形
C.不能确定
D.不知道
正确答案:Y形
6、二瓦计法(两表法)可以测量()的功率。
A.三相四线制电路
B.三相三线制电路
C.对称三相四线制电路
D.Y-Δ形连接的三相电路
正确答案:三相三线制电路;对称三相四线制电路;Y-Δ形连接的三相电路
7、回路电流法和节点电压法不能用来分析不对称三相电路的响应。
A.正确
B.错误
正确答案:错误
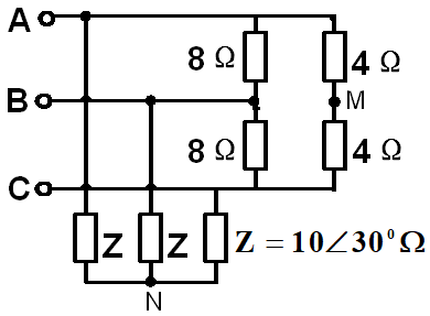
8、如图所示电路,A、B、C接对称三相电源,且线电压UAB=380V,则UMN=()。

A.90V
B.110V
C.220V
D.380V
正确答案:110V
9、

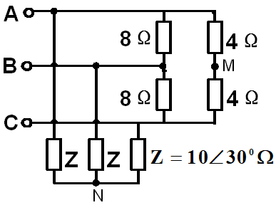
10、如图所示电路图中,A、B、C接对称三相电源,且线电压UAB=380V,则负载的总功率因数为()。

A.0.994
B.0.866
C.0.5
D.0.089
正确答案:0.994
第八章单元测试