智慧树知到《电工学(电工技术)(山东联盟)》章节测试答案
D.开路,电流源
正确答案:开路,电流源
3、在一阶RC电路中,若电容上的初始电压为0V,换路后的稳态值为6V,这种瞬态过程属于()响应。
A.零输入
B.零状态
C.全
D.不确定
正确答案:零状态
4、电路如图所示,换路前电路的状态已经稳定。t = 0时,开关S由a切换到b,换路后电容上电压的初始值uC(0+)为()。

A.U0
B.US
C.U0 – US
D.US – U0
正确答案:U0
5、电路如图所示,换路前电路的状态已经稳定。t = 0时,开关S由a切换到b,换路后电感上电压的初始值uL(0+)为()。

A.U0
B.US
C.U0 – US
D.US – U0
正确答案:US – U0
6、

A.-5V
B.3V
C.8V
D.-3V
正确答案:3V
7、某RC电路换路时,uC(∞) = 12V,uC(0+) = 6V,τ = 0.025s。换路过程中uC的表达式为()。
A.

B.

C.

D.

正确答案:

8、某RC电路换路时,uC(∞) = 8V,uC(0+) = 12V,τ = 0.002s。换路过程中uC的表达式为()。
A.

B.

C.

D.

正确答案:

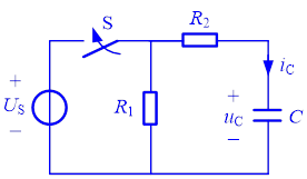
9、电路如图所示,已知R1 = 400Ω,R2 = 400Ω,C = 200μF,US = 15V。换路前电路已稳定,t = 0时开关S闭合。S闭合后uC的初始值和稳态值分别为()。

A.0V,15V
B.15V,0V
C.7.5V,0V
D.0V,7.5V
正确答案:0V,15V
10、电路如图所示,已知R1 = 3Ω,R2 = 2Ω,C = 400μF,IS = 3A。换路前电路已稳定,t = 0时开关S闭合。S闭合后uC的初始值和稳态值分别为()。
