智慧树知到《流体力学》章节测试答案
9、应用总流的伯努利方程时,两截面之间必须都是渐变流。
A.对
B.错
正确答案:错
10、水流的运动方向是从压强大的地方流向压强小的地方。
A.对
B.错
正确答案:错
第四章单元测试
1、圆管层流流动,过流断面上切应力分布为()
A.在过流断面上是常数
B.管轴处是零,且与半径成正比
C.管壁处是零,向管轴线性增大
D.按抛物线分布
正确答案:管轴处是零,且与半径成正比
2、在圆管流中,层流的断面流速分布符合()
A.均匀规律
B.直线变化规律
C.抛物线规律
D.对数曲线规律
正确答案:抛物线规律
3、水流在管道直径、水温、沿程阻力系数都一定时,随着流量的增加,粘性底层的厚度就()。
A.增加
B.减小
C.不变
D.不定
正确答案:减小
4、并联长管1、2,两管的直径、沿程阻力系数均相同,长度L2=3L1,则通过的流量为()。
A.Q1=Q2
B.Q1=1.5Q2
C.Q1=1.73Q2
D.Q1=3Q2
正确答案:Q1=1.73Q2
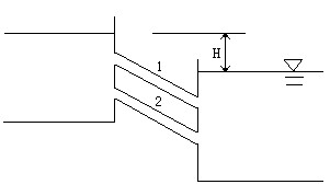
5、图示两根完全相同的长管道,只是安装高度不同,两管道的流量关系为()。

A.Q1<Q2
B.Q1Q2
C.Q1=Q2
D.不定
正确答案:Q1=Q2
6、长管并联管道各并联管段的总能量损失相等。
A.对
B.错
正确答案:错
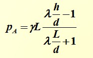
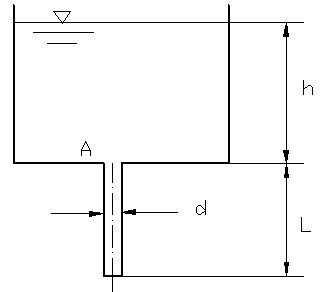
7、如图,水从直径d,长L的铅垂管路流入大气中,水箱中液面高度为h,管路局部阻力可忽略沿程阻力系数为λ,管路起始断面A处压强的表达式为

。

A.对
B.错
正确答案:对
8、圆管湍流流动的沿程水头损失与平均流速的平方成正比。
A.对
B.错
正确答案:错
9、圆管突然扩大局部水头损失的计算公式为

。
A.对
B.错
正确答案:对
10、管嘴内主流脱离壁面,在收缩断面处形成真空,真空的抽吸作用使得管嘴出流能力增强。
A.对
B.错
正确答案:对
第五章单元测试
1、进行模型实验,要实现有压管流的动力相似,应满足()。
A.雷诺准则
B.弗劳德准则
C.欧拉准则
D.柯西准则
正确答案:雷诺准则
2、进行模型实验,要实现明渠水流的动力相似,应满足()。
A.雷诺准则
B.弗劳德准则
C.欧拉准则
D.柯西准则
正确答案:弗劳德准则
3、压力输水管同种流体的模型实验,已知长度比为4,则两者的流量比为()。
A.2
B.4
C.8
D.1/4
正确答案:4
4、长度l、速度v、重力加速度g的无量纲组合是()。
A.
