智慧树知到《线性电子线路分析》章节测试答案
A.带阻
B.带通
C.低通
D.有源
正确答案:带阻
3、为了获得输入电压中的低频信号,应选用()滤波电路。
A.带阻
B.带通
C.低通
D.有源
正确答案:低通
4、欲将方波电压转换成三角波电压,应选用()。
A.同相比例运算电路
B.积分运算电路
C.微分运算电路
D.加法运算电路
正确答案:积分运算电路
5、欲将正弦波电压移相+90O,应选用()。
A.反相比例运算电路
B.同相比例运算电路
C.积分运算电路
D.微分运算电路
正确答案:积分运算电路
第七章单元测试
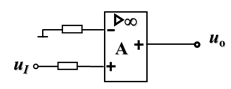
1、在图所示电路中,若uI为正弦波电压,则u0为()。

A.与ui同相的正弦波电压
B.与ui反相的正弦波电压
C.脉冲矩形波电压
D.方波电压
方波电压
正确答案:方波电压
方波电压
2、输入电压在单调变化的过程中,()比较器的输出电压均只跃变一次。
A.单限比较器
B.窗口比较器
C.滞回比较器
D.其余都对
正确答案:单限比较器
;滞回比较器
3、当信号频率f=f0时,RC串并联网络呈()。
A.容性
B.感性
C.电阻性
D.不确定
正确答案:电阻性
4、图所示RC正弦波振荡电路,在维持等幅振荡时,若RF=200KΩ,则R1为()。

A.100 KΩ
B.200KΩ
C.50 KΩ
D.400 KΩ
正确答案:100 KΩ
5、反馈式振荡电路产生正弦波的平衡条件为()。
A.

B.

C.

D.

正确答案:

第八章单元测试
1、在选择功放电路中的晶体管时,应当特别注意的参数有()。
A.ICM
B.ICBO
C.U(BR)CEO
D.PCM
正确答案:ICM
;U(BR)CEO;PCM
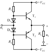
2、已知电路如图所示,T1和T2管的饱和管压降│UCES│=3V,VCC=15V,RL=8Ω。电路中D1和D2管的作用是消除()。

A.饱和失真
B.截止失真
C.交越失真
D.频率失真
正确答案:交越失真
3、功率放大电路与电压放大电路、电流放大电路的共同点是( )。
A.都使输出电压大于输入电压;
B.都使输出电流大于输入电流
C.都使输出功率大于信号源提供的输入功率。