智慧树知到《电路原理(上海健康医学院)》章节测试答案
A.正确
B.错误
正确答案:错误
19、实际电路中,电压源不允许短路,电流源不允许开路。
A.正确
B.错误
正确答案:正确
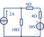
20、图示电路中,电流源发出的功率为()。

A.5.2W
B.-5.2W
C.1.2W
D.1W
正确答案:-5.2W
21、求如图所示电路中,a,b两点间电压Uab =()。

A.6V
B.16V
C.-4V
D.-6V
正确答案:6V
22、当电路中电流的参考方向与电流的实际方向相反时,计算电流的结果为()。
A.正值
B.负值
C.可正、可负
D.无法判断
正确答案:负值
23、若某电导为G的两段电压U和电流I参考方向非关联,则其欧姆定律为()。
A.U=IR
B.U=-IR
C.U=-IG
D.I=-UG
正确答案:I=-UG
24、如图所示的电路中,电流I3为()。

A.1A
B.2A
C.3A
D.4A
正确答案:3A
25、求图示电路中,各电源的功率为()。

A.电压源100W
B.电流源-100W
C.电压源-100W
D.电流源100W
正确答案:电压源100W;电流源-100W
26、受控源的的输出电压(或电流)与其它支路中电压(电流)的关系是()。
A.可能受电流控制
B.可能受电压控制
C.受控制
D.不受控制
正确答案:可能受电流控制;可能受电压控制;受控制
第二章单元测试
1、将R1、R2两个电阻串联,已知:R1=3R2,测得R2电压为5V,则R1、R2的总电压为()。
A.5V
B.10V
C.15V
D.20V
正确答案:20V
2、将R1、R2两个电阻并联,总电流为I,则R2中的电流为()。
A.

3、设实际电压源内电阻为5欧、恒值电压为10伏,将其转换为电流源时,内电阻和恒值电流为()。
A.2欧、2安
B.2欧、0.5安
C.5欧、2安
D.5欧、5安
正确答案:5欧、2安
4、下图中,R1=R2=3欧,R3=R4=6欧,R=4欧,则:Rab=()。

A.3欧
B.2欧
C.12欧
D.16欧
正确答案:2欧
5、将下图转换成一个实际电压源,其内电阻、恒值电压分别为()。

A.5欧、25伏
B.10欧、25伏
C.20欧、30伏
D.20欧、50伏
正确答案:5欧、25伏
6、电路中,原正常工作的电阻,发生开路时,电流为0,所以两端的电压也为0。
A.正确